設為首頁 丨 加入收藏 丨 聯系我們 歡迎光臨多欽儀表(上海)有限公司官方網站!您是第699位訪問者
當前位置:新聞動態 > 技術支持 > 一體式電磁流量計怎么樣調節設置
多欽儀表(上海)有限公司專注于流量計與服務? ?技術之窗
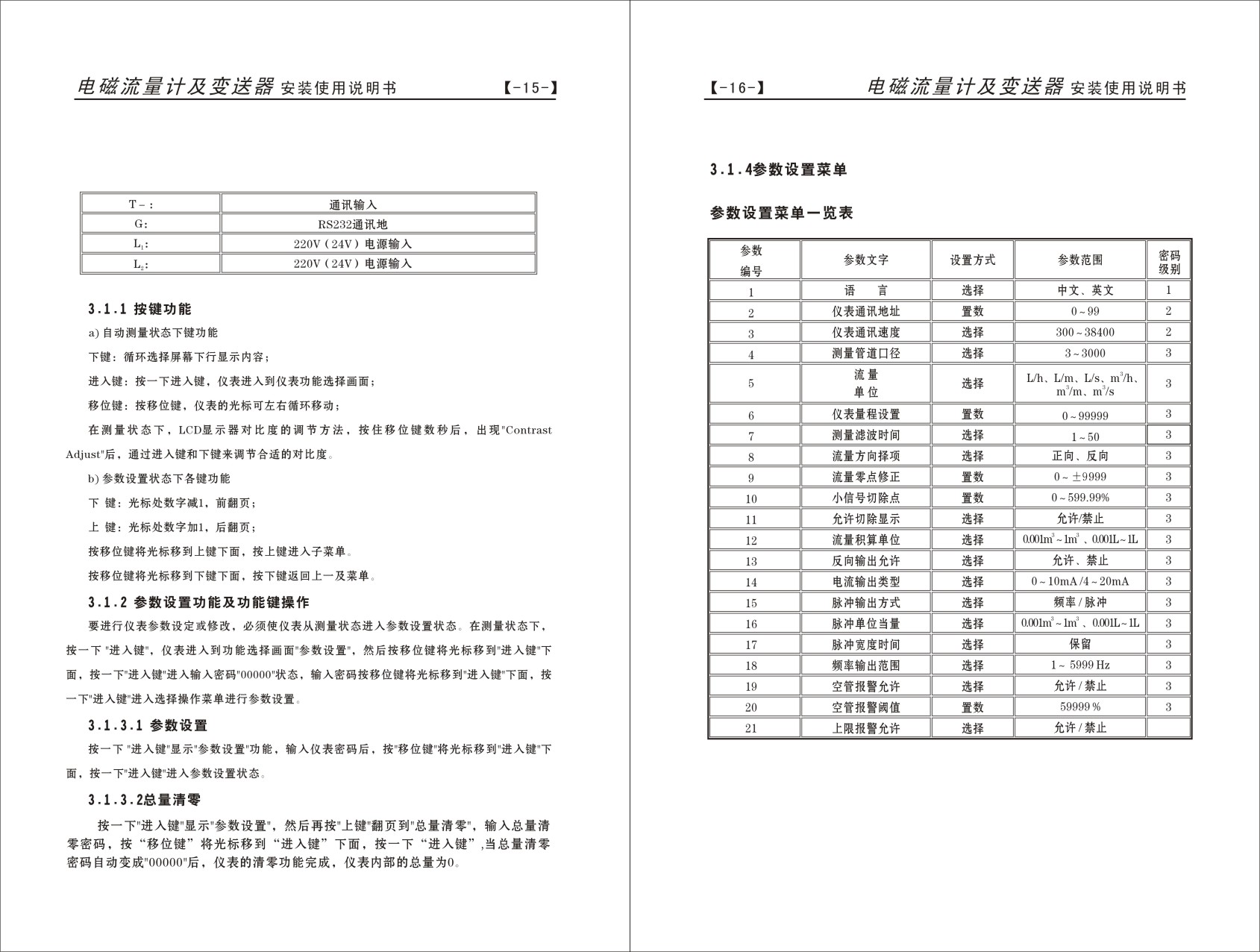
一體式電磁流量計怎么樣調節設置,請參考一下內容:
蘭申轉換器
?
24小時微信(微信號:17701683668)在線隨時隨地為您提供專業的流量計服務。 Copyright ? 2016 多欽儀表(上海)有限公司,保留所有權利 工蘇ICP備05031257號 法律顧問:某某某